О компании
Покупателю
Доставка
Оплата
Гарантии
Возврат и обмен
Новости и акции
Контакты
Отправить заявку
8 (351) 355-06-90
Каталог
Запчасти Dongfeng
Запчасти Shacman
Запчасти Weichai
Запчасти Cummins
Для самосвалов
Dongfeng DFL3251A Евро 2
Dongfeng DFL3251A Евро 3
Dongfeng DFL3251AXA Евро 3
Для тягачей
Dongfeng DFL4181A Евро 2
Dongfeng DFL4251A Евро 2
Для шасси АБС (миксер)
Dongfeng DFL3250A1 Евро 2
Cummins ISLe 310-30, ISLe 340-30, ISLe 375-30
Cummins L340-20, L375-20
Cummins С300-20
Прочие запчасти Cummins
Каталог
О компании
Покупателю
Доставка
Оплата
Гарантии
Возврат и обмен
Новости и акции
Контакты
Графические каталоги
Поиск
Графические каталоги
0
0
Главная
Графические каталоги
DongFeng
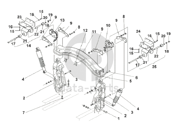
L3251A3 (вар.)
Cab Rear Suspension Subassembly -T1 Flat-roof Semi-floating
Cab Rear Suspension Subassembly -T1 Flat-roof Semi-floating L3251A3 (вар.)
1
2
2
3
3
4
4
5
6
7
8
8
9
9
9
9
10
11
12
13
14
15
15
15
15
16
16
16
16
17
17
18
18
19
19
20
20
21
21
21
22
22
23
24
25
100
%
1
Q151B1850-0Z6H-J1
Болт
Кол-во
6
?
Узнать цену
Q151B1850-0Z6H-J1
Болт Q151B1850-0Z6H-J1
Добавить в избранное
нет в продаже
2
5001140-C0100
Нижний кронштейн задней подвески с резиновой втулкой в сборе
Кол-во
2
?
Узнать цену
5001140-C0100
Кронштейн задней подвески кабины нижний 5001140-C0100
Добавить в избранное
В наличии 2 шт.
3 200 ₽
В корзину
3
Q151B12125-Z6H
Болт
Кол-во
2
?
Узнать цену
Q151B12125-Z6H
Болт Q151B12125-Z6H
Добавить в избранное
нет в продаже
4
5001150-C0100
Амортизатор в сборе
Кол-во
2
?
Узнать цену
5001150-C0100
Амортизатор пружинный (самосвал, миксер) 5001150-C0100
Добавить в избранное
под заказ
цена по запросу
В корзину
5
5002059-C0100
Шланги левого и правого гидравлического замка
Кол-во
1
?
Узнать цену
5002059-C0100
Трубка левого и правого гидравлический замка (кабина) 5002059-C0100
Добавить в избранное
В наличии 20 шт.
цена по запросу
В корзину
6
Q1841655-0Z6H-J1
Болт
Кол-во
6
?
Узнать цену
Q1841655-0Z6H-J1
Болт Q1841655-0Z6H-J1
Добавить в избранное
нет в продаже
7
Q151B1650-0Z6H-J1
Болт
Кол-во
4
?
Узнать цену
Q151B1650-0Z6H-J1
Болт Q151B1650-0Z6H-J1
Добавить в избранное
нет в продаже
8
Q151B1270-Z6H
Болт
Кол-во
8
?
Узнать цену
Q151B1270-Z6H
Болт Q151B1270-Z6H
Добавить в избранное
нет в продаже
9
5001136-C0100
Кронштейн задней подвески
Кол-во
4
?
Оставить заявку
10
5002175-C0100
Правый гидравлический замок в сборе
Кол-во
1
?
Оставить заявку
11
5001146-C0100
Поперечная балка задней подвески
Кол-во
1
?
Оставить заявку
12
Q68614
Зажим
Кол-во
2
?
Узнать цену
Q68614
Зажим Q68614
Добавить в избранное
нет в продаже
13
5002170-C0100
Левый гидравлический замок в сборе
Кол-во
1
?
Оставить заявку
14
5001110-C0100
Левый верхний кронштейн задней подвески с резиновой втулкой в сборе
Кол-во
1
?
Узнать цену
5001110-C0100
Кронштейн задней подвески верхний левый с резиновыми втулками 5001110-C0100
Добавить в избранное
под заказ
цена по запросу
В корзину
5001110-C0100
Кронштейн задней подвески верхний левый с резиновыми втулками в сборе 5001110-C0100
Добавить в избранное
под заказ
цена по запросу
В корзину
15
Q150B1030-0Z6H-J1
Болт
Кол-во
14
?
Узнать цену
Q150B1030-0Z6H-J1
Болт Q150B1030-0Z6H-J1
Добавить в избранное
нет в продаже
16
RQ42410-Z6H
Шайба коническая
Кол-во
14
?
Узнать цену
RQ42410-Z6H
Шайба коническая RQ42410-Z6H
Добавить в избранное
нет в продаже
17
5001139-C0100
Болт
Кол-во
2
?
Узнать цену
5001139-C0100
Болт с втулкой задней верхней подвески кабины 5001139-C0100
Добавить в избранное
В наличии 20 шт.
270 ₽
В корзину
18
Q40314-Z6H
Шайба пружинная
Кол-во
2
?
Узнать цену
Q40314-Z6H
Шайба пружинная Q40314-Z6H
Добавить в избранное
нет в продаже
19
Q341B14-Z6H
Style-I Hexagon Nut
Кол-во
2
?
Оставить заявку
20
Q40114-Z6H
Шайба
Кол-во
2
?
Узнать цену
Q40114-Z6H
Шайба Q40114-Z6H
Добавить в избранное
нет в продаже
21
5001130-C0100
Сайлентблок
Кол-во
2
?
Узнать цену
5001130-C0100
Втулка верхнего кронштейна задней подвески кабины 5001130-C0100
Добавить в избранное
В наличии 20 шт.
350 ₽
В корзину
22
5001137-C0100
Втулка
Кол-во
2
?
Узнать цену
5001137-C0100
Втулка 5001137-C0100
Добавить в избранное
нет в продаже
23
5001115-C0100
Rear Suspension Left Upper Bracket Assembly
Кол-во
1
?
Оставить заявку
24
5001125-C0100
Rear Suspension Right Upper Bracket Assembly
Кол-во
1
?
Оставить заявку
25
5001120-C0100
Правый верхний кронштейн задней подвески в сборе
Кол-во
1
?
Узнать цену
5001120-C0100
Кронштейн задней подвески верхний правый с резиновыми втулками в сборе 5001120-C0100
Добавить в избранное
под заказ
цена по запросу
В корзину
Оставьте заявку на покупку запчастей
Вы должны включить JavaScript чтобы использовать эту форму.
Ваша почта
Закачать
Только один файл.
Ограничение 32 МБ.
Допустимые типы: txt, rtf, pdf, doc, docx, odt, ppt, pptx, odp, xls, xlsx, ods.
Я согласен с
политикой обработки персональных данных
.
Групппа кнопки и политики
Отправить
Оставьте это поле пустым