О компании
Покупателю
Доставка
Оплата
Гарантии
Возврат и обмен
Новости и акции
Контакты
Отправить заявку
8 (351) 355-06-90
Каталог
Запчасти Dongfeng
Запчасти Shacman
Запчасти Weichai
Запчасти Cummins
Для самосвалов
Dongfeng DFL3251A Евро 2
Dongfeng DFL3251A Евро 3
Dongfeng DFL3251AXA Евро 3
Для тягачей
Dongfeng DFL4181A Евро 2
Dongfeng DFL4251A Евро 2
Для шасси АБС (миксер)
Dongfeng DFL3250A1 Евро 2
Cummins ISLe 310-30, ISLe 340-30, ISLe 375-30
Cummins L340-20, L375-20
Cummins С300-20
Прочие запчасти Cummins
Каталог
О компании
Покупателю
Доставка
Оплата
Гарантии
Возврат и обмен
Новости и акции
Контакты
Графические каталоги
Поиск
Графические каталоги
0
0
Главная
Графические каталоги
DongFeng
DFL-4251A
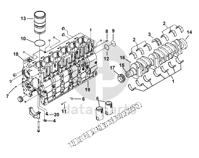
BB9171 Блок цилиндров
BB9171 Блок цилиндров DFL-4251A
1
2
2
3
4
5
6
7
8
9
10
11
12
13
14
15
16
17
18
19
20
100
%
1
3944153
Нижний вкладыш коленчатого вала
Кол-во
7
?
Узнать цену
3944153
Вкладыш коренного подшипника нижний 3944153
Добавить в избранное
нет в продаже
2
3944158
Верхний вкладыш коленчатого вала
Кол-во
6
?
Узнать цену
3944158
Вкладыш коренного подшипника верхний 3944158
Добавить в избранное
нет в продаже
3
3944163
Упорный вкладыш коленчатого вала
Кол-во
1
?
Узнать цену
3944163
Вкладыш упорный верхний стд (6CT, ISLe, L) 3944163
Добавить в избранное
под заказ
цена по запросу
В корзину
3944163
Вкладыш упорный верхний стд (6CT, ISLe, L) (10257500) 3944163
Добавить в избранное
под заказ
цена по запросу
В корзину
4
3959291
Жиклер для охлаждения поршня
Кол-во
6
?
Узнать цену
3959291
Форсунка охлаждения поршня 3959291
Добавить в избранное
нет в продаже
5
3965966
Толкатель
Кол-во
12
?
Узнать цену
3965966
Толкатель в сборе 3965966
Добавить в избранное
нет в продаже
6
C3008468
Пробка
Кол-во
1
?
Узнать цену
C3008468
Заглушка резьбовая коническая C3008468
Добавить в избранное
нет в продаже
7
C3900257
Анкерный палец
Кол-во
2
?
Узнать цену
C3900257
Штифт установочный C3900257
Добавить в избранное
нет в продаже
8
C3901846
Анкерный палец
Кол-во
4
?
Узнать цену
C3901846
Штифт установочный C3901846
Добавить в избранное
нет в продаже
9
C3901969
Заглушка
Кол-во
1
?
Узнать цену
C3901969
Заглушка C3901969
Добавить в избранное
нет в продаже
10
C3907177
Уплотнительное кольцо
Кол-во
6
?
Узнать цену
C3907177
Кольцо уплотнительное под гильзу (L, QSL, ISLe) C3907177
Добавить в избранное
В наличии 78 шт.
70 ₽
В корзину
11
C3909025
Болт
Кол-во
6
?
Узнать цену
C3909025
Болт C3909025
Добавить в избранное
нет в продаже
12
C3926048
Уплотнительное кольцо
Кол-во
1
?
Узнать цену
C3926048
Кольцо уплотнительное (блок цилиндров) C3926048
Добавить в избранное
В наличии 1 шт.
30 ₽
В корзину
13
C3948095
Гильза блока цилиндров
Кол-во
6
?
Узнать цену
C3948095
Гильза цилиндра (L, QSL, ISLe, 6CT) C3948095
Спецпредложение
Добавить в избранное
В наличии 121 шт.
1 900 ₽
В корзину
14
C3976841
Коленчатый вал в сборе
Кол-во
1
?
Узнать цену
C3976841
Вал коленчатый в сборе C3976841
Добавить в избранное
нет в продаже
15
3965010
Коленчатый вал
Кол-во
1
?
Узнать цену
3965010
Вал коленчатый 3965010
Добавить в избранное
нет в продаже
16
C3904483
Анкерный палец
Кол-во
1
?
Узнать цену
C3904483
Штифт установочный (шестерни коленвала) C3904483
Добавить в избранное
В наличии 29 шт.
100 ₽
В корзину
17
C3918776
Зубчатое колесо коленчатого вала
Кол-во
1
?
Узнать цену
C3918776
Шестерня коленчатого вала C3918776
Добавить в избранное
В наличии 21 шт.
2500 ₽
2 400 ₽
В корзину
18
C4928830
Блок цилиндров
Кол-во
1
?
Узнать цену
C4928830
Блок цилиндров C4928830
Добавить в избранное
нет в продаже
19
3971385
Блок цилиндров
Кол-во
1
?
Узнать цену
3971385
Блок цилиндров 3971385
Добавить в избранное
нет в продаже
20
CS923E
Сливной кран
Кол-во
1
?
Узнать цену
CS923E
Кран слива антифриза (блок цилиндров) (C, L, ISLe) CS923E
Добавить в избранное
В наличии 24 шт.
100 ₽
В корзину
Оставьте заявку на покупку запчастей
Вы должны включить JavaScript чтобы использовать эту форму.
Ваша почта
Закачать
Только один файл.
Ограничение 32 МБ.
Допустимые типы: txt, rtf, pdf, doc, docx, odt, ppt, pptx, odp, xls, xlsx, ods.
Я согласен с
политикой обработки персональных данных
.
Групппа кнопки и политики
Отправить
Оставьте это поле пустым