О компании
Покупателю
Доставка
Оплата
Гарантии
Возврат и обмен
Новости и акции
Контакты
Отправить заявку
8 (351) 355-06-90
Каталог
Запчасти Dongfeng
Запчасти Shacman
Запчасти Weichai
Запчасти Cummins
Для самосвалов
Dongfeng DFL3251A Евро 2
Dongfeng DFL3251A Евро 3
Dongfeng DFL3251AXA Евро 3
Для тягачей
Dongfeng DFL4181A Евро 2
Dongfeng DFL4251A Евро 2
Для шасси АБС (миксер)
Dongfeng DFL3250A1 Евро 2
Cummins ISLe 310-30, ISLe 340-30, ISLe 375-30
Cummins L340-20, L375-20
Cummins С300-20
Прочие запчасти Cummins
Каталог
О компании
Покупателю
Доставка
Оплата
Гарантии
Возврат и обмен
Новости и акции
Контакты
Графические каталоги
Поиск
Графические каталоги
0
0
Главная
Графические каталоги
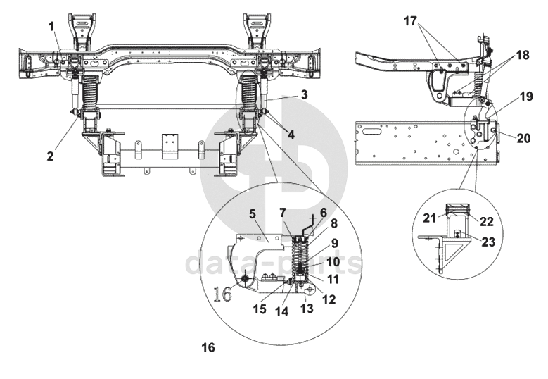
DongFeng
DFL-4181A
Передняя подвеска кабины
Передняя подвеска кабины DFL-4181A
1
2
3
4
5
6
7
8
9
10
11
12
13
14
15
16
16
17
18
19
20
21
22
23
100
%
1
Q150B1235-0H1-J1
Болт
Кол-во
6
?
Узнать цену
Q150B1235-0H1-J1
Болт Q150B1235-0H1-J1
Добавить в избранное
нет в продаже
2
5001022-C0300
Вал для опрокидывания
Кол-во
2
?
Узнать цену
5001022-C0300
Ось вращения кабины 5001022-C0300
Добавить в избранное
В наличии 1 шт.
цена по запросу
В корзину
5001022-C0300
Ось сайленблока кабины с гайкой (тягач) 5001022-C0300
Добавить в избранное
В наличии 26 шт.
250 ₽
В корзину
3
5001085-C0302
Амортизатор передней подвески в сборе
Кол-во
2
?
Узнать цену
5001085-C0302
Амортизатор кабины передний (тягач) 5001085-C0302
Добавить в избранное
под заказ
цена по запросу
В корзину
4
Q40210
Шайба
Кол-во
2
?
Узнать цену
Q40210
Шайба увеличенная Q40210
Добавить в избранное
нет в продаже
5
5001059-C0302
Левый верхний кронштейн передней подвески в сборе
Кол-во
1
?
Узнать цену
5001059-C0302
Кронштейн передней подвески левый верхний в сборе 5001059-C0302
Добавить в избранное
нет в продаже
6
5001036-C0302
Кронштейн верхнего ограничителя
Кол-во
1
?
Узнать цену
5001036-C0302
Кронштейн верхнего ограничителя 5001036-C0302
Добавить в избранное
нет в продаже
7
5001042-C0302
Пружина левой передней подвески
Кол-во
1
?
Узнать цену
5001042-C0302
Пружина левой передней подвески 5001042-C0302
Добавить в избранное
нет в продаже
8
5001034-C0302
Нижний ограничительный валик передней подвески
Кол-во
1
?
Узнать цену
5001034-C0302
Валик передней подвески нижний ограничительный 5001034-C0302
Добавить в избранное
нет в продаже
9
Q2181035
Винт
Кол-во
1
?
Узнать цену
Q2181035
Винт Q2181035
Добавить в избранное
нет в продаже
10
5001039-C0302
Верхний ограничительный валик передней подвески
Кол-во
1
?
Узнать цену
5001039-C0302
Валик передней подвески верхний ограничительный 5001039-C0302
Добавить в избранное
нет в продаже
11
Q40310
Пружинная шайба
Кол-во
0
?
Узнать цену
Q40310
Шайба пружинная M10 Q40310
Добавить в избранное
нет в продаже
12
5001035-C0302
Нижний ограничительный блок передней подвески
Кол-во
1
?
Узнать цену
5001035-C0302
Блок передней подвески нижний ограничительный 5001035-C0302
Добавить в избранное
нет в продаже
13
5001025-C0302
Плечо левого опрокидывания с резиновой втулкой в сборе
Кол-во
1
?
Узнать цену
5001025-C0302
Рычаг левый с резиновой втулкой в сборе 5001025-C0302
Добавить в избранное
нет в продаже
14
5001036-C0300
Кронштейн верхнего ограничителя
Кол-во
1
?
Узнать цену
5001036-C0300
Кронштейн верхнего ограничителя 5001036-C0300
Добавить в избранное
нет в продаже
15
Q2180820
Винт
Кол-во
3
?
Узнать цену
Q2180820
Винт Q2180820
Добавить в избранное
нет в продаже
16
5001021-C0300
Крепежный болт рычага опрокидывания
Кол-во
1
?
Узнать цену
5001021-C0300
Болт крепления рычага 5001021-C0300
Добавить в избранное
нет в продаже
17
Q150B1235-0H1-J1
Болт
Кол-во
0
?
Узнать цену
Q150B1235-0H1-J1
Болт Q150B1235-0H1-J1
Добавить в избранное
нет в продаже
18
5001077-C0302
Поперечный стабилизирующий стержень передней подвески
Кол-во
0
?
Узнать цену
5001077-C0302
Стержень передней подвески поперечный стабилизирующий 5001077-C0302
Добавить в избранное
нет в продаже
19
Q150B1645-0H1-J1
Болт
Кол-во
4
?
Оставить заявку
20
Q150B1655-0H1-J1
Болт
Кол-во
8
?
Оставить заявку
21
5001015-C0300
Комбинированная втулка
Кол-во
1
?
Узнать цену
5001015-C0300
Втулка комбинированная 5001015-C0300
Добавить в избранное
под заказ
цена по запросу
В корзину
5001015-C0300
Втулка нижнего кронштейна подвески кабины 5001015-C0300
Добавить в избранное
под заказ
цена по запросу
В корзину
5001015-C0300
Комбинированная втулка 5001015-C0300
Добавить в избранное
под заказ
цена по запросу
В корзину
22
5001075-C0300
Технологический комплекс резинового пылезащитного чехола
Кол-во
2
?
Узнать цену
5001075-C0300
Пыльник резиновый (передняя подвеска кабины тягач) 5001075-C0300
Добавить в избранное
под заказ
цена по запросу
В корзину
23
5001013-C0300
Кронштейн левого опрокидывания
Кол-во
1
?
Узнать цену
5001013-C0300
Кронштейн опрокидывания левый 5001013-C0300
Добавить в избранное
нет в продаже
Оставьте заявку на покупку запчастей
Вы должны включить JavaScript чтобы использовать эту форму.
Ваша почта
Закачать
Только один файл.
Ограничение 32 МБ.
Допустимые типы: txt, rtf, pdf, doc, docx, odt, ppt, pptx, odp, xls, xlsx, ods.
Я согласен с
политикой обработки персональных данных
.
Групппа кнопки и политики
Отправить
Оставьте это поле пустым