О компании
Покупателю
Доставка
Оплата
Гарантии
Возврат и обмен
Новости и акции
Контакты
Отправить заявку
8 (351) 355-06-90
Каталог
Запчасти Dongfeng
Запчасти Shacman
Запчасти Weichai
Запчасти Cummins
Для самосвалов
Dongfeng DFL3251A Евро 2
Dongfeng DFL3251A Евро 3
Dongfeng DFL3251AXA Евро 3
Для тягачей
Dongfeng DFL4181A Евро 2
Dongfeng DFL4251A Евро 2
Для шасси АБС (миксер)
Dongfeng DFL3250A1 Евро 2
Cummins ISLe 310-30, ISLe 340-30, ISLe 375-30
Cummins L340-20, L375-20
Cummins С300-20
Прочие запчасти Cummins
Каталог
О компании
Покупателю
Доставка
Оплата
Гарантии
Возврат и обмен
Новости и акции
Контакты
Графические каталоги
Поиск
Графические каталоги
0
0
Главная
Графические каталоги
DongFeng
EQ-1074
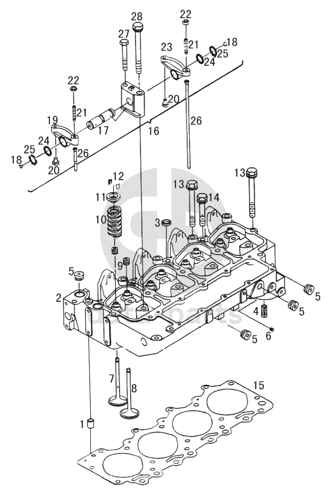
Головка блока цилиндров и клапанный механизм
Головка блока цилиндров и клапанный механизм EQ-1074
1
2
3
4
5
5
5
5
6
7
8
9
10
11
12
13
13
14
15
16
17
18
18
19
20
20
21
21
22
22
23
24
24
25
25
26
26
27
28
100
%
1
А3902343
Кольцо установочное
Кол-во
2
?
Оставить заявку
2
А3933422
Головка цилиндров с заглушками
Кол-во
1
?
Оставить заявку
3
А3902606
Заглушка
Кол-во
3
?
Оставить заявку
4
А3903845
Фланец
Кол-во
1
?
Оставить заявку
5
С3008468
Заглушка
Кол-во
2
?
Узнать цену
C3008468
Заглушка резьбовая коническая C3008468
Добавить в избранное
нет в продаже
6
RQ61901-J8
Заглушка
Кол-во
1
?
Оставить заявку
7
А3901117
Клапан впускной
Кол-во
4
?
Оставить заявку
8
А3901607
Клапан выпускной
Кол-во
4
?
Оставить заявку
9
3921640
Уплотнитель
Кол-во
8
?
Оставить заявку
10
А3900276
Пружина впускного клапана
Кол-во
4
?
Оставить заявку
11
А3900299
Тарелка пружины
Кол-во
8
?
Оставить заявку
12
3900250
Сухарь
Кол-во
16
?
Узнать цену
3900250
Сухарь клапана 3900250
Добавить в избранное
нет в продаже
13
А3903939
Болт
Кол-во
10
?
Оставить заявку
14
А3903938
Болт
Кол-во
4
?
Оставить заявку
15
А3921393
Прокладка
Кол-во
1
?
Оставить заявку
16
А3910815
Клапанный механизм в сборе
Кол-во
4
?
Оставить заявку
17
А3910814
Вал коромысел
Кол-во
4
?
Оставить заявку
18
А3907555
Заглушка
Кол-во
8
?
Оставить заявку
19
А3910809
Коромысло впускного клапана
Кол-во
4
?
Оставить заявку
20
А3900705
Винт регулировочный
Кол-во
8
?
Оставить заявку
21
А3900706
Болт
Кол-во
8
?
Оставить заявку
22
А3960358
Гайка
Кол-во
8
?
Оставить заявку
23
А3910808
Коромысло выпускного клапана
Кол-во
4
?
Оставить заявку
24
А3900245
Шайба
Кол-во
8
?
Оставить заявку
25
Q43119
Кольцо пружинное
Кол-во
8
?
Оставить заявку
26
А3904679
Толкатель
Кол-во
8
?
Оставить заявку
27
Q150В0875
Болт
Кол-во
4
?
Узнать цену
Q150B0875
Болт Q150B0875
Добавить в избранное
нет в продаже
28
А3903940
Болт головки цилиндров
Кол-во
4
?
Оставить заявку
Оставьте заявку на покупку запчастей
Вы должны включить JavaScript чтобы использовать эту форму.
Ваша почта
Закачать
Только один файл.
Ограничение 32 МБ.
Допустимые типы: txt, rtf, pdf, doc, docx, odt, ppt, pptx, odp, xls, xlsx, ods.
Я согласен с
политикой обработки персональных данных
.
Групппа кнопки и политики
Отправить
Оставьте это поле пустым