О компании
Покупателю
Доставка
Оплата
Гарантии
Возврат и обмен
Новости и акции
Контакты
Отправить заявку
8 (351) 355-06-90
Каталог
Запчасти Dongfeng
Запчасти Shacman
Запчасти Weichai
Запчасти Cummins
Для самосвалов
Dongfeng DFL3251A Евро 2
Dongfeng DFL3251A Евро 3
Dongfeng DFL3251AXA Евро 3
Для тягачей
Dongfeng DFL4181A Евро 2
Dongfeng DFL4251A Евро 2
Для шасси АБС (миксер)
Dongfeng DFL3250A1 Евро 2
Cummins ISLe 310-30, ISLe 340-30, ISLe 375-30
Cummins L340-20, L375-20
Cummins С300-20
Прочие запчасти Cummins
Каталог
О компании
Покупателю
Доставка
Оплата
Гарантии
Возврат и обмен
Новости и акции
Контакты
Графические каталоги
Поиск
Графические каталоги
0
0
Главная
Графические каталоги
DongFeng
DFL-3251AXA Euro3
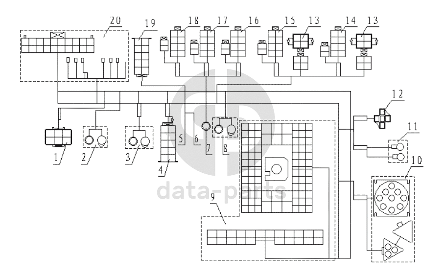
37E56-24020 Пучок проводов в кабине
37E56-24020 Пучок проводов в кабине DFL-3251AXA Euro3
1
2
3
4
5
6
7
8
9
10
12
13
13
14
15
16
17
18
19
20
11
100
%
1
Соединение
Соединение с пучком проводов под полом слева
Кол-во
1
?
Оставить заявку
2
Соединение
Соединение с пучком проводов под полом слева
Кол-во
0
?
Оставить заявку
3
Соединение
Соединение с пучком проводов под полом слева
Кол-во
0
?
Оставить заявку
4
Соединение
Соединение с пучком проводов под полом слева
Кол-во
0
?
Оставить заявку
5
Соединение
Соединение с пучком проводов под полом слева
Кол-во
0
?
Оставить заявку
6
Соединение
Соединение с пучком проводов под полом слева
Кол-во
0
?
Оставить заявку
7
Соединение
Соединение с пучком проводов под полом слева
Кол-во
0
?
Оставить заявку
8
Соединение
Соединение с пучком проводов под полом слева
Кол-во
0
?
Оставить заявку
9
Соединение
Соединение с пучком проводов под полом слева
Кол-во
0
?
Оставить заявку
10
Соединение
Соединение с пучком проводов под полом слева
Кол-во
0
?
Оставить заявку
11
Соединение
Соединение с пучком проводов под полом слева
Кол-во
0
?
Оставить заявку
12
Соединение
Соединение с пучком проводов под полом слева
Кол-во
0
?
Оставить заявку
13
Соединение
Соединение с пучком проводов под полом слева
Кол-во
0
?
Оставить заявку
14
Соединение
Соединение с пучком проводов под полом слева
Кол-во
0
?
Оставить заявку
15
Соединение
Соединение с пучком проводов под полом слева
Кол-во
0
?
Оставить заявку
16
Соединение
Соединение с пучком проводов под полом слева
Кол-во
0
?
Оставить заявку
17
Соединение
Соединение с пучком проводов под полом слева
Кол-во
0
?
Оставить заявку
18
Соединение
Соединение с пучком проводов под полом слева
Кол-во
0
?
Оставить заявку
19
Соединение
Соединение с пучком проводов под полом слева
Кол-во
0
?
Оставить заявку
20
Соединение
Соединение с пучком проводов под полом слева
Кол-во
0
?
Оставить заявку
Оставьте заявку на покупку запчастей
Вы должны включить JavaScript чтобы использовать эту форму.
Ваша почта
Закачать
Только один файл.
Ограничение 32 МБ.
Допустимые типы: txt, rtf, pdf, doc, docx, odt, ppt, pptx, odp, xls, xlsx, ods.
Я согласен с
политикой обработки персональных данных
.
Групппа кнопки и политики
Отправить
Оставьте это поле пустым