О компании
Покупателю
Доставка
Оплата
Гарантии
Возврат и обмен
Новости и акции
Контакты
Отправить заявку
8 (351) 355-06-90
Каталог
Запчасти Dongfeng
Запчасти Shacman
Запчасти Weichai
Запчасти Cummins
Для самосвалов
Dongfeng DFL3251A Евро 2
Dongfeng DFL3251A Евро 3
Dongfeng DFL3251AXA Евро 3
Для тягачей
Dongfeng DFL4181A Евро 2
Dongfeng DFL4251A Евро 2
Для шасси АБС (миксер)
Dongfeng DFL3250A1 Евро 2
Cummins ISLe 310-30, ISLe 340-30, ISLe 375-30
Cummins L340-20, L375-20
Cummins С300-20
Прочие запчасти Cummins
Каталог
О компании
Покупателю
Доставка
Оплата
Гарантии
Возврат и обмен
Новости и акции
Контакты
Графические каталоги
Поиск
Графические каталоги
0
0
Главная
Графические каталоги
DongFeng
DFL-3251AXA Euro3
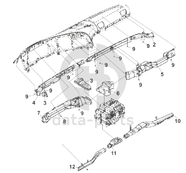
8102A-C0100 Воздуховоды системы отопления
8102A-C0100 Воздуховоды системы отопления DFL-3251AXA Euro3
1
2
3
4
5
6
7
8
9
9
9
9
9
9
9
9
9
9
9
10
11
11
100
%
1
8102015-C0100
Воздуховод со стороны водителя
Кол-во
1
?
Узнать цену
8102015-C0100
Сопло водителя 8102015-C0100
Добавить в избранное
нет в продаже
2
8102020-C0100
Воздуховод со стороны пассажира
Кол-во
1
?
Узнать цену
8102020-C0100
Сопло пассажира 8102020-C0100
Добавить в избранное
нет в продаже
3
8102025-C0100
Промежуточный воздуховод
Кол-во
1
?
Узнать цену
8102025-C0100
Воздуховод промежуточный 8102025-C0100
Добавить в избранное
нет в продаже
4
8102010-C0100
Воздуховод со стороны водителя
Кол-во
1
?
Узнать цену
8102010-C0100
Сопло водителя 8102010-C0100
Добавить в избранное
нет в продаже
5
8102040-C0100
Верхний воздуховод со стороны пассажира
Кол-во
1
?
Узнать цену
8102040-C0100
Воздуховод верхний со стороны пассажира 8102040-C0100
Добавить в избранное
нет в продаже
6
8102035-C0100
Средний воздуховод
Кол-во
1
?
Узнать цену
8102035-C0100
Воздуховод средний 8102035-C0100
Добавить в избранное
нет в продаже
7
8102030-C0100
Верхний воздуховод со стороны водителя
Кол-во
1
?
Узнать цену
8102030-C0100
Воздуховод верхний со стороны водителя 8102030-C0100
Добавить в избранное
нет в продаже
8
8102901-C0100
Защёлка
Кол-во
1
?
Узнать цену
8102901-C0100
Защелка 8102901-C0100
Добавить в избранное
нет в продаже
9
RQ2700512
Винт
Кол-во
11
?
Узнать цену
RQ2700512
Винт самонарезной RQ2700512
Добавить в избранное
нет в продаже
10
8102060-C0100
Нижний воздуховод со стороны пассажира
Кол-во
1
?
Узнать цену
8102060-C0100
Воздуховод нижний со стороны пассажира 8102060-C0100
Добавить в избранное
нет в продаже
11
8102055-C0100
Нижний средний воздуховод в сборе
Кол-во
1
?
Узнать цену
8102055-C0100
Воздуховод средний нижний 8102055-C0100
Добавить в избранное
нет в продаже
12
8102050-С0100
Воздуховод нижний со стороны водителя
Кол-во
1
?
Узнать цену
8102050-C0100
Воздуховод нижний со стороны водителя 8102050-C0100
Добавить в избранное
нет в продаже
Оставьте заявку на покупку запчастей
Вы должны включить JavaScript чтобы использовать эту форму.
Ваша почта
Закачать
Только один файл.
Ограничение 32 МБ.
Допустимые типы: txt, rtf, pdf, doc, docx, odt, ppt, pptx, odp, xls, xlsx, ods.
Я согласен с
политикой обработки персональных данных
.
Групппа кнопки и политики
Отправить
Оставьте это поле пустым