О компании
Покупателю
Доставка
Оплата
Гарантии
Возврат и обмен
Новости и акции
Контакты
Отправить заявку
8 (351) 355-06-90
Каталог
Запчасти Dongfeng
Запчасти Shacman
Запчасти Weichai
Запчасти Cummins
Для самосвалов
Dongfeng DFL3251A Евро 2
Dongfeng DFL3251A Евро 3
Dongfeng DFL3251AXA Евро 3
Для тягачей
Dongfeng DFL4181A Евро 2
Dongfeng DFL4251A Евро 2
Для шасси АБС (миксер)
Dongfeng DFL3250A1 Евро 2
Cummins ISLe 310-30, ISLe 340-30, ISLe 375-30
Cummins L340-20, L375-20
Cummins С300-20
Прочие запчасти Cummins
Каталог
О компании
Покупателю
Доставка
Оплата
Гарантии
Возврат и обмен
Новости и акции
Контакты
Графические каталоги
Поиск
Графические каталоги
0
0
Главная
Графические каталоги
DongFeng
DFL-3251A Euro3
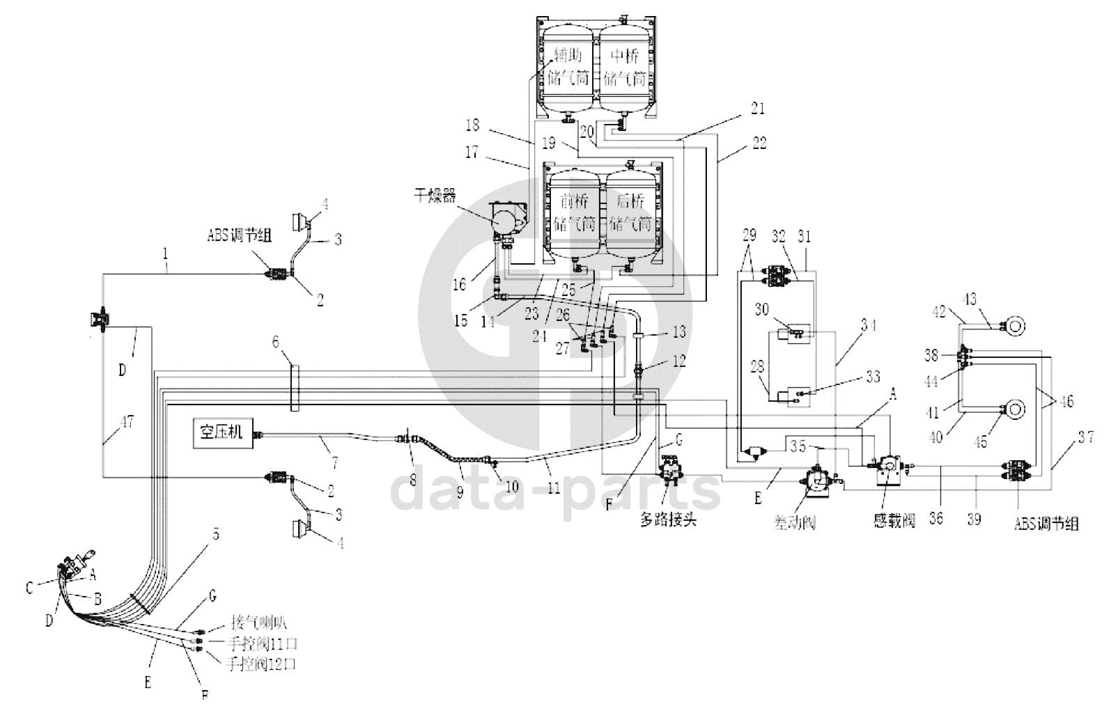
35ZXC05-06001 Схема тормозной системы (с ABS)
35ZXC05-06001 Схема тормозной системы (с ABS) DFL-3251A Euro3
1
2
2
3
3
4
4
5
6
7
8
9
10
11
12
13
14
15
16
17
18
19
20
21
22
23
24
25
26
27
28
29
30
31
32
33
34
35
36
37
38
39
40
41
42
43
44
45
46
47
100
%
1
RQ85010135
Нейлоновый шланг в сборе
Кол-во
1
?
Узнать цену
RQ85010135
Шланг - между ускорительным клапаном и АBS переднего моста RQ85010135
Добавить в избранное
нет в продаже
2
35.6B2-06027
Штуцер-угольник
Кол-во
2
?
Узнать цену
35.6B2-06027
Штуцер угловой 35.6B2-06027
Добавить в избранное
нет в продаже
3
Q-22-700W
Шланг в сборе
Кол-во
2
?
Узнать цену
Q-22-700W
Шланг Q-22-700W
Добавить в избранное
нет в продаже
4
35N-06153
Штуцер
Кол-во
2
?
Узнать цену
35N-06153
Штуцер 35N-06153
Добавить в избранное
нет в продаже
5
3506820-T0500
Держатель в сборе
Кол-во
1
?
Узнать цену
3506820-T0500
Кронштейн 3506820-T0500
Добавить в избранное
нет в продаже
6
35ZB8A-06101
Кронштейн
Кол-во
43
?
Узнать цену
35ZB8A-06101
Кронштейн 35ZB8A-06101
Добавить в избранное
нет в продаже
7
35ZXC04-06202
Трубка стальная первая в сборе - соединение компрессора и воздухоочистителя
Кол-во
1
?
Узнать цену
35ZXC04-06202
Трубка стальная первая - соединение компрессора и воздухоочистителя 35ZXC04-06202
Добавить в избранное
нет в продаже
8
35ZXC04-06086
Держатель
Кол-во
1
?
Узнать цену
35ZXC04-06086
Держатель 35ZXC04-06086
Добавить в избранное
нет в продаже
9
35ZXC04-06050
Рукав высокого давления в сборе
Кол-во
1
?
Узнать цену
35ZXC04-06050
Шланг термостойкий (штуцер-гайка 26мм) L=830 35ZXC04-06050
Добавить в избранное
под заказ
цена по запросу
В корзину
10
35ZXC04-06088
Кронштейн
Кол-во
1
?
Узнать цену
35ZXC04-06088
Кронштейн 35ZXC04-06088
Добавить в избранное
нет в продаже
11
35ZXC04-06204
Трубка стальная вторая в сборе - соединение компрессора и воздухоочистителя
Кол-во
1
?
Узнать цену
35ZXC04-06204
Трубка стальная вторая - соединение компрессора и воздухоочистителя 35ZXC04-06204
Добавить в избранное
нет в продаже
12
35ZX34-06017
Штуцер
Кол-во
1
?
Узнать цену
35ZX34-06017
Штуцер 35ZX34-06017
Добавить в избранное
нет в продаже
13
35N12-06621
Держатель хомута верхний
Кол-во
1
?
Узнать цену
35N12-06621
Держатель хомута верхний 35N12-06621
Добавить в избранное
нет в продаже
14
35ZXC04-06206
Трубка стальная третья в сборе - соединение компрессора и воздухоочистителя
Кол-во
1
?
Узнать цену
35ZXC04-06206
Трубка стальная третья - соединение компрессора и воздухоочистителя 35ZXC04-06206
Добавить в избранное
нет в продаже
15
35Z02-06101
Штуцер
Кол-во
0
?
Узнать цену
35Z02-06101
Штуцер 35Z02-06101
Добавить в избранное
нет в продаже
16
35ZXC04-06208
Трубка стальная четвертая в сборе - соединение компрессора и воздухоочистителя
Кол-во
1
?
Узнать цену
35ZXC04-06208
Трубка стальная четвертая - соединение компрессора и воздухоочистителя 35ZXC04-06208
Добавить в избранное
нет в продаже
17
RQ8500630
Трубка в сборе
Кол-во
1
?
Узнать цену
RQ8500630
Шланг RQ8500630
Добавить в избранное
нет в продаже
18
RQ8514500
Шланг в сборе – соединение 4-контурного защитного клапана с дополнительным воздушным ресивером
Кол-во
1
?
Узнать цену
RQ8514500
Шланг - соединение 4-контурного защитного клапана с дополнительным воздушным ресивером RQ8514500
Добавить в избранное
нет в продаже
19
3506512-T1400
Трубка в сборе
Кол-во
1
?
Узнать цену
3506512-T1400
Шланг нейлоновый (тормозная система) 3506512-T1400
Добавить в избранное
нет в продаже
20
3506516-T1400
Трубка в сборе
Кол-во
1
?
Узнать цену
3506516-T1400
Шланг нейлоновый соединение воздушного ресивера задней оси со штуцером 3506516-T1400
Добавить в избранное
нет в продаже
21
3506510-ZB700
Трубка в сборе
Кол-во
1
?
Узнать цену
3506510-ZB700
Шланг нейлоновый (тормозная система) 3506510-ZB700
Добавить в избранное
нет в продаже
22
3506514-T1400
Трубка в сборе
Кол-во
1
?
Узнать цену
3506514-T1400
Шланг 3506514-T1400
Добавить в избранное
нет в продаже
23
3506526-T1400
Трубка в сборе
Кол-во
1
?
Узнать цену
3506526-T1400
Шланг - соединение 4-контурного защитного клапана с дополнительным воздушным ресивером 3506526-T1400
Добавить в избранное
нет в продаже
24
3506522-T1400
Трубка в сборе
Кол-во
1
?
Узнать цену
3506522-T1400
Шланг нейлоновый соединение 4-контурного клапана с ресивером передней оси 3506522-T1400
Добавить в избранное
нет в продаже
25
3506510-T1400
Трубка в сборе
Кол-во
1
?
Узнать цену
3506510-T1400
Шланг нейлоновый (тормозная система) 3506510-T1400
Добавить в избранное
нет в продаже
26
35Z06A-06127
Угольник
Кол-во
1
?
Узнать цену
35Z06A-06127
Штуцер 35Z06A-06127
Добавить в избранное
нет в продаже
27
35Z61-06128
Угольник
Кол-во
2
?
Узнать цену
35Z61-06128
Штуцер 35Z61-06128
Добавить в избранное
нет в продаже
28
RQ8501035
Трубка в сборе
Кол-во
1
?
Узнать цену
RQ8501035
Шланг RQ8501035
Добавить в избранное
нет в продаже
29
RQ85010184
Шланг в сборе - соединение с ABS среднего моста
Кол-во
1
?
Узнать цену
RQ85010184
Шланг - соединение с ABS среднего моста RQ85010184
Добавить в избранное
нет в продаже
30
35B06-06094
Тройник
Кол-во
1
?
Узнать цену
35B06-06094
Тройник 35B06-06094
Добавить в избранное
нет в продаже
31
RQ85010100
Шланг в сборе - соединение с ABS среднего моста справа
Кол-во
1
?
Узнать цену
RQ85010100
Шланг - соединение с ABS среднего моста справа RQ85010100
Добавить в избранное
нет в продаже
32
RQ85010110
Трубка нейлоновая
Кол-во
1
?
Узнать цену
RQ85010110
Шланг - соединение с ABS среднего моста слева RQ85010110
Добавить в избранное
нет в продаже
33
35N-06124
Угольник
Кол-во
3
?
Узнать цену
35N-06124
Штуцер 35N-06124
Добавить в избранное
нет в продаже
34
RQ8501070
Трубка в сборе
Кол-во
1
?
Узнать цену
RQ8501070
Шланг RQ8501070
Добавить в избранное
нет в продаже
35
3506510-T1100
Трубка в сборе
Кол-во
1
?
Узнать цену
3506510-T1100
Шланг нейлоновый соединение направляющего клапана с дифференциальным клапаном 3506510-T1100
Добавить в избранное
нет в продаже
36
RQ85010110
Трубка нейлоновая
Кол-во
0
?
Узнать цену
RQ85010110
Шланг - соединение с ABS среднего моста слева RQ85010110
Добавить в избранное
нет в продаже
37
RQ85010155D
Трубка в сборе
Кол-во
1
?
Узнать цену
RQ85010155D
Шланг RQ85010155D
Добавить в избранное
нет в продаже
38
35ZB3-06096
Тройник
Кол-во
1
?
Узнать цену
35ZB3-06096
Тройник 35ZB3-06096
Добавить в избранное
нет в продаже
39
RQ85010105
Шланг в сборе - соединение ABS заднего моста с разгрузочным клапаном
Кол-во
1
?
Узнать цену
RQ85010105
Шланг - соединение ABS заднего моста с разгрузочным клапаном RQ85010105
Добавить в избранное
нет в продаже
40
35ZXC05-07011
Шланг в сборе
Кол-во
1
?
Узнать цену
35ZXC05-07011
Шланг 35ZXC05-07011
Добавить в избранное
нет в продаже
41
35ZXC05-07012
Шланг в сборе
Кол-во
1
?
Узнать цену
35ZXC05-07012
Шланг 35ZXC05-07012
Добавить в избранное
нет в продаже
42
35ZXC05-07013
Шланг в сборе
Кол-во
1
?
Узнать цену
35ZXC05-07013
Шланг 35ZXC05-07013
Добавить в избранное
нет в продаже
43
35ZXC05-07014
Шланг в сборе
Кол-во
1
?
Узнать цену
35ZXC05-07014
Шланг 35ZXC05-07014
Добавить в избранное
нет в продаже
44
35.6B2-06071
Штуцер-угольник
Кол-во
2
?
Узнать цену
35.6B2-06071
Штуцер 35.6B2-06071
Добавить в избранное
нет в продаже
45
35N-06124
Угольник
Кол-во
0
?
Узнать цену
35N-06124
Штуцер 35N-06124
Добавить в избранное
нет в продаже
46
Q-22N-700W
Шланг в сборе
Кол-во
2
?
Узнать цену
Q-22N-700W
Шланг в сборе Q-22N-700W
Добавить в избранное
В наличии 85 шт.
350 ₽
В корзину
47
RQ85010135
Нейлоновый шланг в сборе
Кол-во
0
?
Узнать цену
RQ85010135
Шланг - между ускорительным клапаном и АBS переднего моста RQ85010135
Добавить в избранное
нет в продаже
Оставьте заявку на покупку запчастей
Вы должны включить JavaScript чтобы использовать эту форму.
Ваша почта
Закачать
Только один файл.
Ограничение 32 МБ.
Допустимые типы: txt, rtf, pdf, doc, docx, odt, ppt, pptx, odp, xls, xlsx, ods.
Я согласен с
политикой обработки персональных данных
.
Групппа кнопки и политики
Отправить
Оставьте это поле пустым