О компании
Покупателю
Доставка
Оплата
Гарантии
Возврат и обмен
Новости и акции
Контакты
Отправить заявку
8 (351) 355-06-90
Каталог
Запчасти Dongfeng
Запчасти Shacman
Запчасти Weichai
Запчасти Cummins
Для самосвалов
Dongfeng DFL3251A Евро 2
Dongfeng DFL3251A Евро 3
Dongfeng DFL3251AXA Евро 3
Для тягачей
Dongfeng DFL4181A Евро 2
Dongfeng DFL4251A Евро 2
Для шасси АБС (миксер)
Dongfeng DFL3250A1 Евро 2
Cummins ISLe 310-30, ISLe 340-30, ISLe 375-30
Cummins L340-20, L375-20
Cummins С300-20
Прочие запчасти Cummins
Каталог
О компании
Покупателю
Доставка
Оплата
Гарантии
Возврат и обмен
Новости и акции
Контакты
Графические каталоги
Поиск
Графические каталоги
0
0
Главная
Графические каталоги
DongFeng
DFL-3251A
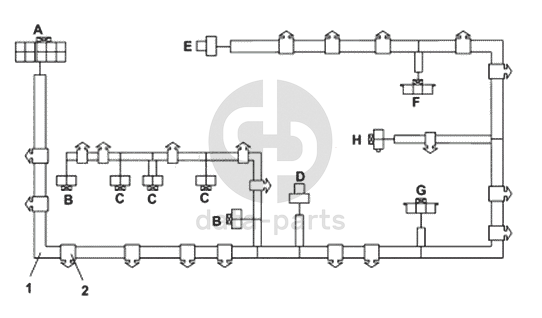
Схема пучка проводов потолка кабины
Схема пучка проводов потолка кабины DFL-3251A
1
2
100
%
1
3724040-C0100
Пучок проводов потолка в сборе (включая деталь №2)
Кол-во
0
?
Узнать цену
3724040-C0100
Пучок проводов потолка кабины 3724040-C0100
Добавить в избранное
нет в продаже
2
3724941-C0100
Лента хомута
Кол-во
0
?
Узнать цену
3724941-C0100
Хомут 3724941-C0100
Добавить в избранное
нет в продаже
A
Соединение с главным пучком проводов
Кол-во
0
?
Оставить заявку
B
Соединение с главным пучком проводов
Кол-во
0
?
Оставить заявку
C
Соединение с главным пучком проводов
Кол-во
0
?
Оставить заявку
D
Соединение с главным пучком проводов
Кол-во
0
?
Оставить заявку
E
Соединение с главным пучком проводов
Кол-во
0
?
Оставить заявку
F
Соединение с главным пучком проводов
Кол-во
0
?
Оставить заявку
G
Соединение с главным пучком проводов
Кол-во
0
?
Оставить заявку
H
Соединение с главным пучком проводов
Кол-во
0
?
Оставить заявку
Оставьте заявку на покупку запчастей
Вы должны включить JavaScript чтобы использовать эту форму.
Ваша почта
Закачать
Только один файл.
Ограничение 32 МБ.
Допустимые типы: txt, rtf, pdf, doc, docx, odt, ppt, pptx, odp, xls, xlsx, ods.
Я согласен с
политикой обработки персональных данных
.
Групппа кнопки и политики
Отправить
Оставьте это поле пустым