О компании
Покупателю
Доставка
Оплата
Гарантии
Возврат и обмен
Новости и акции
Контакты
Отправить заявку
8 (351) 355-06-90
Каталог
Запчасти Dongfeng
Запчасти Shacman
Запчасти Weichai
Запчасти Cummins
Для самосвалов
Dongfeng DFL3251A Евро 2
Dongfeng DFL3251A Евро 3
Dongfeng DFL3251AXA Евро 3
Для тягачей
Dongfeng DFL4181A Евро 2
Dongfeng DFL4251A Евро 2
Для шасси АБС (миксер)
Dongfeng DFL3250A1 Евро 2
Cummins ISLe 310-30, ISLe 340-30, ISLe 375-30
Cummins L340-20, L375-20
Cummins С300-20
Прочие запчасти Cummins
Каталог
О компании
Покупателю
Доставка
Оплата
Гарантии
Возврат и обмен
Новости и акции
Контакты
Графические каталоги
Поиск
Графические каталоги
0
0
Главная
Графические каталоги
DongFeng
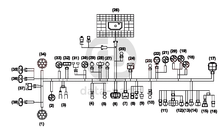
DFL-3250A1-K09-003-01
3724A-K0903 Пучок проводов на раме
3724A-K0903 Пучок проводов на раме DFL-3250A1-K09-003-01
1
3
7
9
11
15
17
2
6
8
10
12
16
18
19
21
27
29
31
33
35
37
20
22
24
26
32
34
36
38
100
%
1
Разъем1
Разъём задних габаритных огней
Кол-во
0
?
Оставить заявку
2
Разъем2
Разъём пучка проводов под полом
Кол-во
0
?
Оставить заявку
3
Разъем3
Разъём выключателя внутренней лампы
Кол-во
0
?
Оставить заявку
6
Разъем6
Разъём выключателя сцепления
Кол-во
0
?
Оставить заявку
7
Разъем7
Разъём комплекса выключателей
Кол-во
0
?
Оставить заявку
8
Разъем8
Разъём замка зажигания
Кол-во
0
?
Оставить заявку
9
Разъем9
Разъём комплекса выключателей
Кол-во
0
?
Оставить заявку
10
Разъем10
Разъём выключателя тормозных ламп
Кол-во
0
?
Оставить заявку
11
Разъем11
Разъём пучка проводов на полу
Кол-во
0
?
Оставить заявку
12
Разъем12
Разъём осветительных приборов
Кол-во
0
?
Оставить заявку
15
Разъем15
Разъём пучка проводов левой части рамы
Кол-во
0
?
Оставить заявку
16
Разъем16
Разъём пучка проводов кабины
Кол-во
0
?
Оставить заявку
17
Разъем17
Разъём пучка проводов левой двери
Кол-во
0
?
Оставить заявку
18
Разъем18
Разъём пучка проводов потолка
Кол-во
0
?
Оставить заявку
19
Разъем19
Разъём группы приборов
Кол-во
0
?
Оставить заявку
20
Разъем20
Разъём выключателя аварийной сигнализации
Кол-во
0
?
Оставить заявку
21
Разъем21
Разъём выключателя электропитания
Кол-во
0
?
Оставить заявку
22
Разъем22
Разъём прикуривателя
Кол-во
0
?
Оставить заявку
24
Разъем24
Разъём выключателя осушителя
Кол-во
0
?
Оставить заявку
26
Разъем26
Разъём выключателя огней заднего хода
Кол-во
0
?
Оставить заявку
27
Разъем27
Заземление
Кол-во
0
?
Оставить заявку
29
Разъем29
Разъём пучка проводов передней стенки кабины
Кол-во
0
?
Оставить заявку
31
Разъем31
Разъём блока предохранителей
Кол-во
0
?
Оставить заявку
32
Разъем32
Разъём блока реле
Кол-во
0
?
Оставить заявку
33
Разъем33
Разъём пучка проводов левой части кабины
Кол-во
0
?
Оставить заявку
34
Разъем34
Разъём реле стеклоочистителя
Кол-во
0
?
Оставить заявку
35
Разъем35
Разъём многофункционального звукового сигнала
Кол-во
0
?
Оставить заявку
36
Разъем36
Разъём пучка проводов правой двери
Кол-во
0
?
Оставить заявку
37
Разъем37
Разъём пучка проводов кондиционера
Кол-во
0
?
Оставить заявку
38
Разъем38
Разъем автомагнитолы
Кол-во
0
?
Оставить заявку
Оставьте заявку на покупку запчастей
Вы должны включить JavaScript чтобы использовать эту форму.
Ваша почта
Закачать
Только один файл.
Ограничение 32 МБ.
Допустимые типы: txt, rtf, pdf, doc, docx, odt, ppt, pptx, odp, xls, xlsx, ods.
Я согласен с
политикой обработки персональных данных
.
Групппа кнопки и политики
Отправить
Оставьте это поле пустым