О компании
Покупателю
Доставка
Оплата
Гарантии
Возврат и обмен
Новости и акции
Контакты
Отправить заявку
8 (351) 355-06-90
Каталог
Запчасти Dongfeng
Запчасти Shacman
Запчасти Weichai
Запчасти Cummins
Для самосвалов
Dongfeng DFL3251A Евро 2
Dongfeng DFL3251A Евро 3
Dongfeng DFL3251AXA Евро 3
Для тягачей
Dongfeng DFL4181A Евро 2
Dongfeng DFL4251A Евро 2
Для шасси АБС (миксер)
Dongfeng DFL3250A1 Евро 2
Cummins ISLe 310-30, ISLe 340-30, ISLe 375-30
Cummins L340-20, L375-20
Cummins С300-20
Прочие запчасти Cummins
Каталог
О компании
Покупателю
Доставка
Оплата
Гарантии
Возврат и обмен
Новости и акции
Контакты
Графические каталоги
Поиск
Графические каталоги
0
0
Главная
Графические каталоги
DongFeng
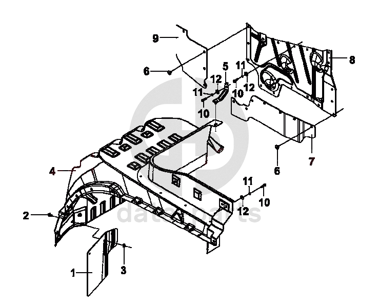
DFL-3250A1-K09-003-01
8403E-C0102 Левый внутренний брызговик
8403E-C0102 Левый внутренний брызговик DFL-3250A1-K09-003-01
1
2
3
4
5
6
6
7
8
9
10
10
10
11
11
11
12
12
12
100
%
1
8403325-C0100
Передний левый брызговик
Кол-во
1
?
Узнать цену
8403325-C0100
Брызговик передний левый мягкий 8403325-C0100
Добавить в избранное
В наличии 2 шт.
180 ₽
В корзину
2
Q1840612-Z6H
Болт
Кол-во
3
?
Узнать цену
Q1840612-Z6H
Болт Q1840612-Z6H
Добавить в избранное
нет в продаже
3
Q32206-Z6H
Гайка
Кол-во
3
?
Узнать цену
Q32206-Z6H
Гайка Q32206-Z6H
Добавить в избранное
нет в продаже
4
8403319-C0100
Левый верхний брызговик в сборе
Кол-во
1
?
Узнать цену
8403319-C0100
Брызговик внутренний верхний левый 8403319-C0100
Добавить в избранное
нет в продаже
5
8403359-C0100
Кронштейн
Кол-во
1
?
Узнать цену
8403359-C0100
Кронштейн левого внутреннего верхнего брызговика 8403359-C0100
Добавить в избранное
нет в продаже
6
56N-02021
Пистон
Кол-во
11
?
Узнать цену
56N-02021
Защелка 56N-02021
Добавить в избранное
нет в продаже
7
8403354-C0100
Брызговик
Кол-во
1
?
Узнать цену
8403354-C0100
Фартук продольный задний 8403354-C0100
Добавить в избранное
нет в продаже
8
8403349-C0100
Брызговик
Кол-во
1
?
Узнать цену
8403349-C0100
Брызговик продольный левый (металл) 8403349-C0100
Добавить в избранное
под заказ
цена по запросу
В корзину
9
8403353-C0100
Брызговик
Кол-во
1
?
Узнать цену
8403353-C0100
Брызговик продольный передний мягкий 8403353-C0100
Добавить в избранное
нет в продаже
10
RQ1760620-Z6H
Болт
Кол-во
14
?
Узнать цену
RQ1760620-Z6H
Болт RQ1760620-Z6H
Добавить в избранное
нет в продаже
11
Q40206-Z6H
Шайба
Кол-во
14
?
Узнать цену
Q40206-Z6H
Шайба Q40206-Z6H
Добавить в избранное
нет в продаже
12
Q40306-Z6H
Пружинчатая шайба
Кол-во
14
?
Узнать цену
Q40306-Z6H
Шайба пружинная Q40306-Z6H
Добавить в избранное
нет в продаже
Оставьте заявку на покупку запчастей
Вы должны включить JavaScript чтобы использовать эту форму.
Ваша почта
Закачать
Только один файл.
Ограничение 32 МБ.
Допустимые типы: txt, rtf, pdf, doc, docx, odt, ppt, pptx, odp, xls, xlsx, ods.
Я согласен с
политикой обработки персональных данных
.
Групппа кнопки и политики
Отправить
Оставьте это поле пустым