О компании
Покупателю
Доставка
Оплата
Гарантии
Возврат и обмен
Новости и акции
Контакты
Отправить заявку
8 (351) 355-06-90
Каталог
Запчасти Dongfeng
Запчасти Shacman
Запчасти Weichai
Запчасти Cummins
Для самосвалов
Dongfeng DFL3251A Евро 2
Dongfeng DFL3251A Евро 3
Dongfeng DFL3251AXA Евро 3
Для тягачей
Dongfeng DFL4181A Евро 2
Dongfeng DFL4251A Евро 2
Для шасси АБС (миксер)
Dongfeng DFL3250A1 Евро 2
Cummins ISLe 310-30, ISLe 340-30, ISLe 375-30
Cummins L340-20, L375-20
Cummins С300-20
Прочие запчасти Cummins
Каталог
О компании
Покупателю
Доставка
Оплата
Гарантии
Возврат и обмен
Новости и акции
Контакты
Графические каталоги
Поиск
Графические каталоги
0
0
Главная
Графические каталоги
DongFeng
DFL-3250A1-K09-003-01
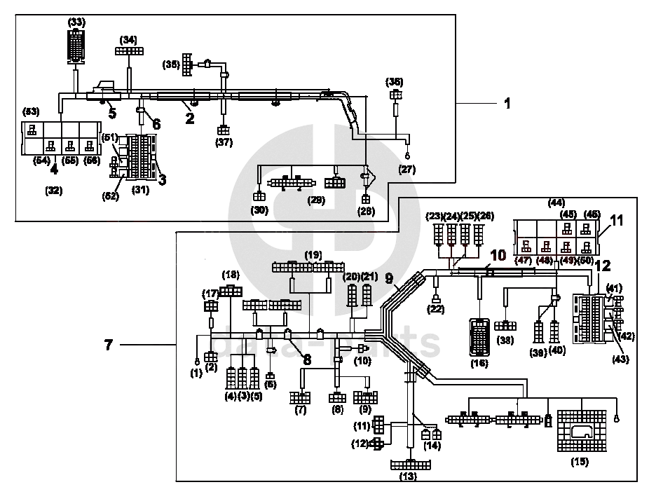
3724D-C0113 Пучок проводов в кабине
3724D-C0113 Пучок проводов в кабине DFL-3250A1-K09-003-01
1
2
3
4
5
6
7
8
9
10
11
12
100
%
1
3724030-C0113
Главный пучок проводов правой стороны кабины
Кол-во
1
?
Узнать цену
3724030-C0113
Главный пучок проводов правой стороны кабины 3724030-C0113
Добавить в избранное
нет в продаже
2
3724034-C0100
Защитный экран пучка проводов
Кол-во
2
?
Узнать цену
3724034-C0100
Экран пучка проводов защитный 3724034-C0100
Добавить в избранное
нет в продаже
3
3722010-C0100
Блок предохранителей
Кол-во
1
?
Узнать цену
3722010-C0100
Блок предохранителей в сборе 3722010-C0100
Добавить в избранное
В наличии 1 шт.
800 ₽
В корзину
3722010-C0100
Блок предохранителей (10369300) 3722010-C0100
Добавить в избранное
В наличии 15 шт.
880 ₽
В корзину
4
3735100-C0100
Блок реле
Кол-во
1
?
Узнать цену
3735100-C0100
Блок реле 3735100-C0100
Добавить в избранное
нет в продаже
5
3724033-C0100
Защитный экран пучка проводов
Кол-во
1
?
Узнать цену
3724033-C0100
Экран пучка проводов защитный 3724033-C0100
Добавить в избранное
нет в продаже
6
3724922-C0100
Хомут
Кол-во
3
?
Узнать цену
3724922-C0100
Хомут 3724922-C0100
Добавить в избранное
нет в продаже
7
3724020-C0113
Главный пучок проводов левой стороны кабины
Кол-во
1
?
Узнать цену
3724020-C0113
Главный пучок проводов левой стороны кабины 3724020-C0113
Добавить в избранное
нет в продаже
8
3724922-C0100
Хомут
Кол-во
0
?
Узнать цену
3724922-C0100
Хомут 3724922-C0100
Добавить в избранное
нет в продаже
9
3724023-C0100
Защитный экран пучка проводов
Кол-во
1
?
Узнать цену
3724023-C0100
Экран пучка проводов защитный 3724023-C0100
Добавить в избранное
нет в продаже
10
3724022-C0100
Защитный экран пучка проводов
Кол-во
1
?
Узнать цену
3724022-C0100
Экран пучка проводов защитный 3724022-C0100
Добавить в избранное
нет в продаже
11
3735100-C0100
Блок реле
Кол-во
0
?
Узнать цену
3735100-C0100
Блок реле 3735100-C0100
Добавить в избранное
нет в продаже
12
3722010-C0100
Блок предохранителей
Кол-во
0
?
Узнать цену
3722010-C0100
Блок предохранителей в сборе 3722010-C0100
Добавить в избранное
В наличии 1 шт.
800 ₽
В корзину
3722010-C0100
Блок предохранителей (10369300) 3722010-C0100
Добавить в избранное
В наличии 15 шт.
880 ₽
В корзину
Оставьте заявку на покупку запчастей
Вы должны включить JavaScript чтобы использовать эту форму.
Ваша почта
Закачать
Только один файл.
Ограничение 32 МБ.
Допустимые типы: txt, rtf, pdf, doc, docx, odt, ppt, pptx, odp, xls, xlsx, ods.
Я согласен с
политикой обработки персональных данных
.
Групппа кнопки и политики
Отправить
Оставьте это поле пустым