О компании
Покупателю
Доставка
Оплата
Гарантии
Возврат и обмен
Новости и акции
Контакты
Отправить заявку
8 (351) 355-06-90
Каталог
Запчасти Dongfeng
Запчасти Shacman
Запчасти Weichai
Запчасти Cummins
Для самосвалов
Dongfeng DFL3251A Евро 2
Dongfeng DFL3251A Евро 3
Dongfeng DFL3251AXA Евро 3
Для тягачей
Dongfeng DFL4181A Евро 2
Dongfeng DFL4251A Евро 2
Для шасси АБС (миксер)
Dongfeng DFL3250A1 Евро 2
Cummins ISLe 310-30, ISLe 340-30, ISLe 375-30
Cummins L340-20, L375-20
Cummins С300-20
Прочие запчасти Cummins
Каталог
О компании
Покупателю
Доставка
Оплата
Гарантии
Возврат и обмен
Новости и акции
Контакты
Графические каталоги
Поиск
Графические каталоги
0
0
Главная
Графические каталоги
DongFeng
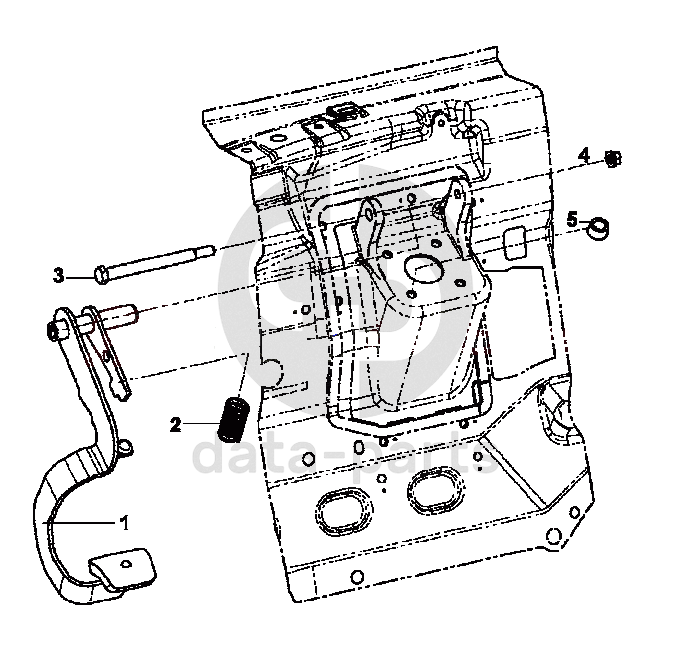
DFL-3250A1-K09-003-01
3504A-C0100 Педаль тормоза
3504A-C0100 Педаль тормоза DFL-3250A1-K09-003-01
1
2
3
4
5
100
%
1
3504025-C0100
Педаль тормоза в сборе
Кол-во
1
?
Узнать цену
3504025-C0100
Педаль тормоза 3504025-C0100
Добавить в избранное
нет в продаже
2
3504038-C0100
Пружина
Кол-во
1
?
Узнать цену
3504038-C0100
Пружина педали тормоза возвратная 3504038-C0100
Добавить в избранное
нет в продаже
3
3504037-C0100
Ось педали тормоза
Кол-во
1
?
Узнать цену
3504037-C0100
Ось педали тормоза 3504037-C0100
Добавить в избранное
нет в продаже
4
Q340B10
Гайка
Кол-во
1
?
Узнать цену
Q340B10
Гайка Q340B10
Добавить в избранное
нет в продаже
Q340B10
Гайка Q340B10
Добавить в избранное
нет в продаже
5
3504036-C0100
Ограничитель педали тормоза
Кол-во
1
?
Узнать цену
3504036-C0100
Ограничитель хода педали тормоза 3504036-C0100
Добавить в избранное
нет в продаже
Оставьте заявку на покупку запчастей
Вы должны включить JavaScript чтобы использовать эту форму.
Ваша почта
Закачать
Только один файл.
Ограничение 32 МБ.
Допустимые типы: txt, rtf, pdf, doc, docx, odt, ppt, pptx, odp, xls, xlsx, ods.
Я согласен с
политикой обработки персональных данных
.
Групппа кнопки и политики
Отправить
Оставьте это поле пустым