О компании
Покупателю
Доставка
Оплата
Гарантии
Возврат и обмен
Новости и акции
Контакты
Отправить заявку
8 (351) 355-06-90
Каталог
Запчасти Dongfeng
Запчасти Shacman
Запчасти Weichai
Запчасти Cummins
Для самосвалов
Dongfeng DFL3251A Евро 2
Dongfeng DFL3251A Евро 3
Dongfeng DFL3251AXA Евро 3
Для тягачей
Dongfeng DFL4181A Евро 2
Dongfeng DFL4251A Евро 2
Для шасси АБС (миксер)
Dongfeng DFL3250A1 Евро 2
Cummins ISLe 310-30, ISLe 340-30, ISLe 375-30
Cummins L340-20, L375-20
Cummins С300-20
Прочие запчасти Cummins
Каталог
О компании
Покупателю
Доставка
Оплата
Гарантии
Возврат и обмен
Новости и акции
Контакты
Графические каталоги
Поиск
Графические каталоги
0
0
Главная
Графические каталоги
DongFeng
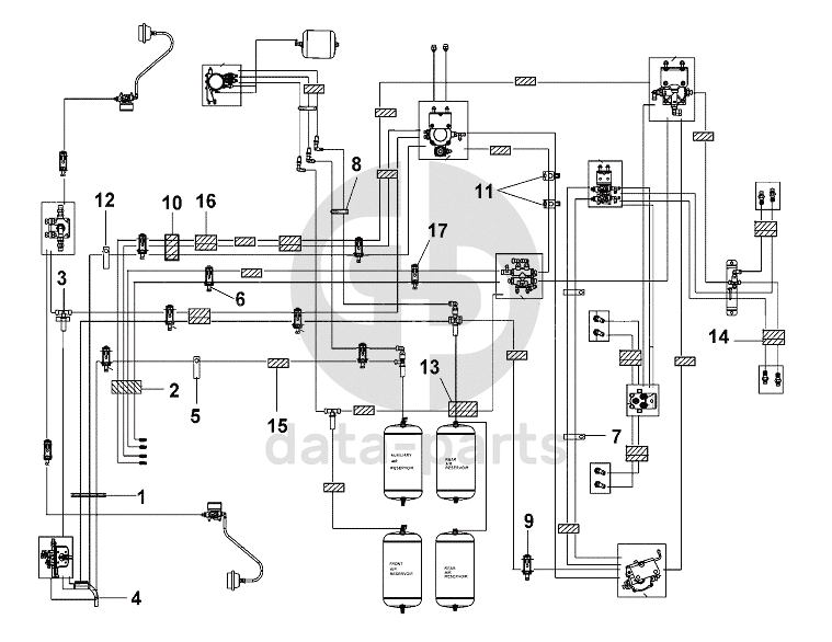
DFL-3251AW1
Pipe Clamp & Protecting Sleeve & Support Group
Pipe Clamp & Protecting Sleeve & Support Group DFL-3251AW1
1
2
3
4
5
6
7
8
9
10
11
12
13
14
15
16
17
100
%
1
10362000
Rubber insert
Кол-во
2
?
Оставить заявку
2
RQ8551940
Защитный чехол
Кол-во
10
?
Узнать цену
RQ8551940
Шланг защитный RQ8551940
Добавить в избранное
нет в продаже
3
10660900
T joint
Кол-во
1
?
Оставить заявку
4
10325100
Bracket
Кол-во
1
?
Оставить заявку
5
Q68610
Скоба
Кол-во
2
?
Оставить заявку
6
10368200
Bracket
Кол-во
29
?
Оставить заявку
7
10076100
Bracket
Кол-во
2
?
Оставить заявку
8
10365900
Bracket
Кол-во
2
?
Оставить заявку
9
11679900
Bracket
Кол-во
1
?
Оставить заявку
10
11165400
Protective sleeve
Кол-во
1
?
Оставить заявку
11
10368000
Bracket
Кол-во
2
?
Оставить заявку
12
10056800
Pipe clamp assembly
Кол-во
1
?
Оставить заявку
13
10483400
Air reservoir,bracket protect cover
Кол-во
1
?
Оставить заявку
14
10486500
Protective sleeve
Кол-во
4
?
Оставить заявку
15
RQ8551040
Protective sleeve
Кол-во
20
?
Оставить заявку
16
10357800
Frame protect cover assembly
Кол-во
4
?
Оставить заявку
17
12303600
Bracket
Кол-во
1
?
Оставить заявку
Оставьте заявку на покупку запчастей
Вы должны включить JavaScript чтобы использовать эту форму.
Ваша почта
Закачать
Только один файл.
Ограничение 32 МБ.
Допустимые типы: txt, rtf, pdf, doc, docx, odt, ppt, pptx, odp, xls, xlsx, ods.
Я согласен с
политикой обработки персональных данных
.
Групппа кнопки и политики
Отправить
Оставьте это поле пустым