О компании
Покупателю
Доставка
Оплата
Гарантии
Возврат и обмен
Новости и акции
Контакты
Отправить заявку
8 (351) 355-06-90
Каталог
Запчасти Dongfeng
Запчасти Shacman
Запчасти Weichai
Запчасти Cummins
Для самосвалов
Dongfeng DFL3251A Евро 2
Dongfeng DFL3251A Евро 3
Dongfeng DFL3251AXA Евро 3
Для тягачей
Dongfeng DFL4181A Евро 2
Dongfeng DFL4251A Евро 2
Для шасси АБС (миксер)
Dongfeng DFL3250A1 Евро 2
Cummins ISLe 310-30, ISLe 340-30, ISLe 375-30
Cummins L340-20, L375-20
Cummins С300-20
Прочие запчасти Cummins
Каталог
О компании
Покупателю
Доставка
Оплата
Гарантии
Возврат и обмен
Новости и акции
Контакты
Графические каталоги
Поиск
Графические каталоги
0
0
Главная
Графические каталоги
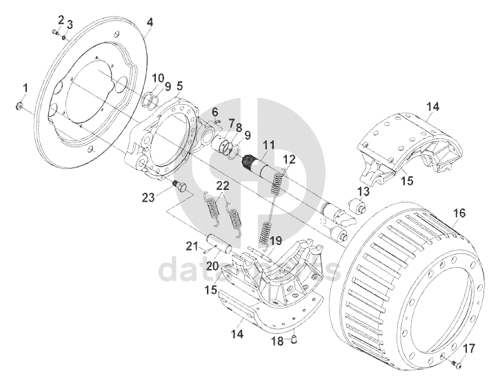
DongFeng
DFL-3251AW1
Middle axle, brake assembly
Middle axle, brake assembly DFL-3251AW1
1
2
3
4
5
6
7
8
9
9
10
11
12
13
14
14
15
15
16
17
18
19
20
21
22
23
100
%
1
12379100
Seal ring
Кол-во
8
?
Оставить заявку
2
Q150B0816
Болт
Кол-во
12
?
Оставить заявку
3
Q40308
Пружинная шайба
Кол-во
12
?
Узнать цену
Q40308
Шайба пружинная Q40308
Добавить в избранное
нет в продаже
Q40308
Шайба пружинная Q40308
Добавить в избранное
нет в продаже
4
12394000
Щит
Кол-во
2
?
Оставить заявку
5
12394300
Brake bottom plate
Кол-во
2
?
Оставить заявку
6
12381800
Маслёнка
Кол-во
2
?
Оставить заявку
7
12377300
Bushing
Кол-во
2
?
Оставить заявку
8
12377500
O-ring
Кол-во
2
?
Оставить заявку
9
12378800
Распорка
Кол-во
4
?
Оставить заявку
10
12381400
Circlip for shaft
Кол-во
2
?
Оставить заявку
11
12395100
Вал
Кол-во
1
?
Оставить заявку
12
12378900
Return spring
Кол-во
2
?
Оставить заявку
13
12382300
Roller
Кол-во
4
?
Оставить заявку
14
12394600
Brake friction lining
Кол-во
8
?
Оставить заявку
15
12394200
Brake shoe
Кол-во
4
?
Оставить заявку
16
12393900
Rear brake drum
Кол-во
2
?
Узнать цену
12393900
Барабан тормозной заднего/среднего моста Евро4 (2014) 12393900
Добавить в избранное
под заказ
цена по запросу
В корзину
17
Q2541020
Винт
Кол-во
4
?
Узнать цену
Q2541020
Винт Q2541020
Добавить в избранное
нет в продаже
18
12379200
Заклёпка
Кол-во
64
?
Оставить заявку
19
12379000
Ось
Кол-во
4
?
Оставить заявку
20
12382400
Ось
Кол-во
4
?
Оставить заявку
21
12390100
Болт
Кол-во
20
?
Оставить заявку
22
Q5280624
Палец
Кол-во
4
?
Узнать цену
Q5280624
Штифт Q5280624
Добавить в избранное
нет в продаже
23
12394100
Return spring
Кол-во
4
?
Оставить заявку
Оставьте заявку на покупку запчастей
Вы должны включить JavaScript чтобы использовать эту форму.
Ваша почта
Закачать
Только один файл.
Ограничение 32 МБ.
Допустимые типы: txt, rtf, pdf, doc, docx, odt, ppt, pptx, odp, xls, xlsx, ods.
Я согласен с
политикой обработки персональных данных
.
Групппа кнопки и политики
Отправить
Оставьте это поле пустым