О компании
Покупателю
Доставка
Оплата
Гарантии
Возврат и обмен
Новости и акции
Контакты
Отправить заявку
8 (351) 355-06-90
Каталог
Запчасти Dongfeng
Запчасти Shacman
Запчасти Weichai
Запчасти Cummins
Для самосвалов
Dongfeng DFL3251A Евро 2
Dongfeng DFL3251A Евро 3
Dongfeng DFL3251AXA Евро 3
Для тягачей
Dongfeng DFL4181A Евро 2
Dongfeng DFL4251A Евро 2
Для шасси АБС (миксер)
Dongfeng DFL3250A1 Евро 2
Cummins ISLe 310-30, ISLe 340-30, ISLe 375-30
Cummins L340-20, L375-20
Cummins С300-20
Прочие запчасти Cummins
Каталог
О компании
Покупателю
Доставка
Оплата
Гарантии
Возврат и обмен
Новости и акции
Контакты
Графические каталоги
Поиск
Графические каталоги
0
0
Главная
Графические каталоги
Shaanxi
Shacman SX42584V384TL
SERVE BRAKE CONTROL DEVICE
SERVE BRAKE CONTROL DEVICE Shacman SX42584V384TL
1
2
3
4
5
6
7
8
9
10
11
12
13
14
15
100
%
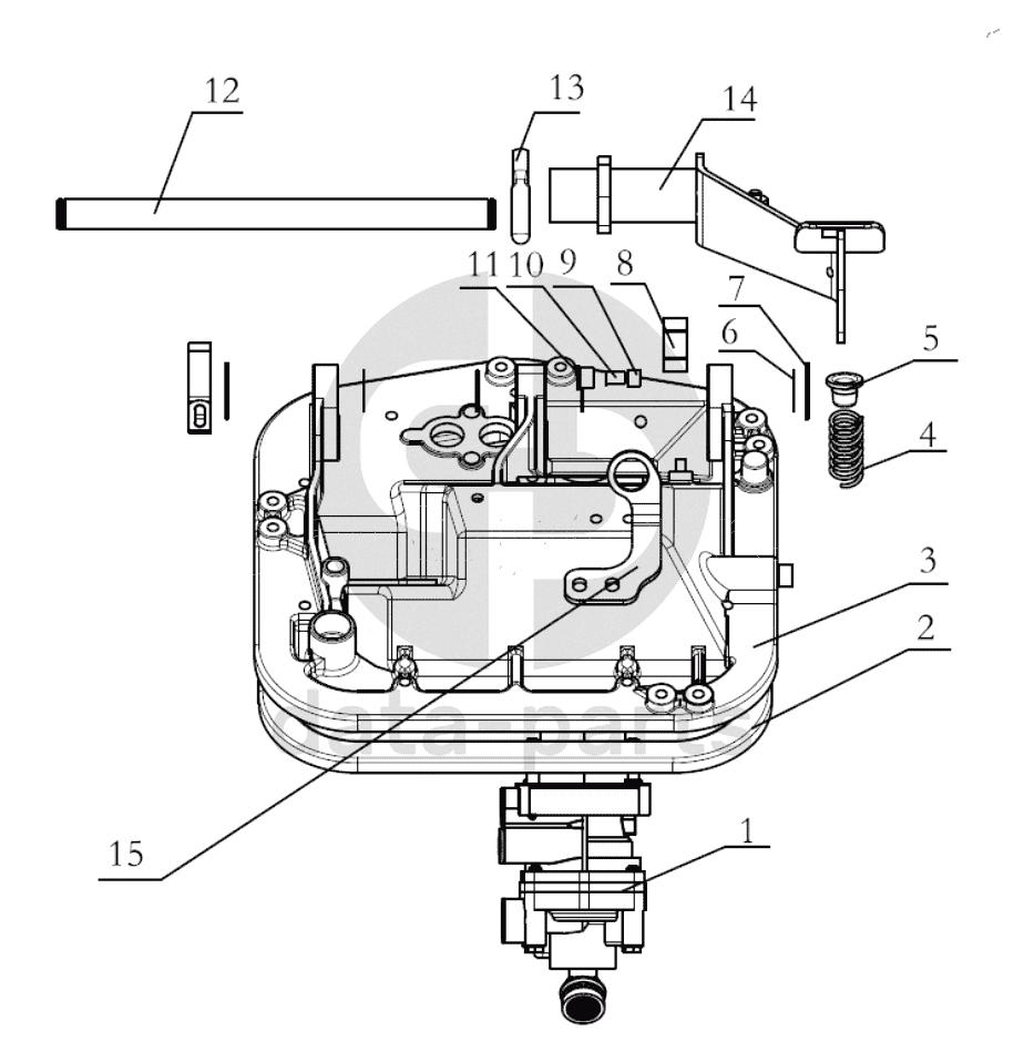
1
DZ9100360080
Тормозной клапан
Кол-во
0
?
Оставить заявку
2
81.96601.0659
Прокладка
Кол-во
0
?
Оставить заявку
3
81.48220.0106
Кронштейн
Кол-во
0
?
Оставить заявку
4
06.46081.6338
Пружина
Кол-во
0
?
Оставить заявку
5
81.97680.0019
Гнездо пружины
Кол-во
0
?
Оставить заявку
6
06.29050.0116
Кольцо стопорное
Кол-во
0
?
Оставить заявку
7
06.15114.0418
Регулирующая шайба
Кол-во
0
?
Оставить заявку
8
81.97640.0273
Пружинный хомут
Кол-во
0
?
Оставить заявку
9
Q340B10
Nut
Кол-во
0
?
Оставить заявку
10
81.91020.0611
Вал
Кол-во
0
?
Оставить заявку
11
Q43680
Фиксатор
Кол-во
0
?
Оставить заявку
12
81.48210.0033
Ось педали
Кол-во
0
?
Оставить заявку
13
81.91020.0610
Шток клапана
Кол-во
0
?
Оставить заявку
14
81.48240.0270
Stoplight switch bracket
Кол-во
0
?
Оставить заявку
15
81.48235.5033
Педаль тормоза в сборе
Кол-во
0
?
Оставить заявку
Оставьте заявку на покупку запчастей
Вы должны включить JavaScript чтобы использовать эту форму.
Ваша почта
Закачать
Только один файл.
Ограничение 32 МБ.
Допустимые типы: txt, rtf, pdf, doc, docx, odt, ppt, pptx, odp, xls, xlsx, ods.
Я согласен с
политикой обработки персональных данных
.
Групппа кнопки и политики
Отправить
Оставьте это поле пустым