О компании
Покупателю
Доставка
Оплата
Гарантии
Возврат и обмен
Новости и акции
Контакты
Отправить заявку
8 (351) 355-06-90
Каталог
Запчасти Dongfeng
Запчасти Shacman
Запчасти Weichai
Запчасти Cummins
Для самосвалов
Dongfeng DFL3251A Евро 2
Dongfeng DFL3251A Евро 3
Dongfeng DFL3251AXA Евро 3
Для тягачей
Dongfeng DFL4181A Евро 2
Dongfeng DFL4251A Евро 2
Для шасси АБС (миксер)
Dongfeng DFL3250A1 Евро 2
Cummins ISLe 310-30, ISLe 340-30, ISLe 375-30
Cummins L340-20, L375-20
Cummins С300-20
Прочие запчасти Cummins
Каталог
О компании
Покупателю
Доставка
Оплата
Гарантии
Возврат и обмен
Новости и акции
Контакты
Графические каталоги
Поиск
Графические каталоги
0
0
Главная
Графические каталоги
Shaanxi
MAN-F2000 (SX3254JS384)
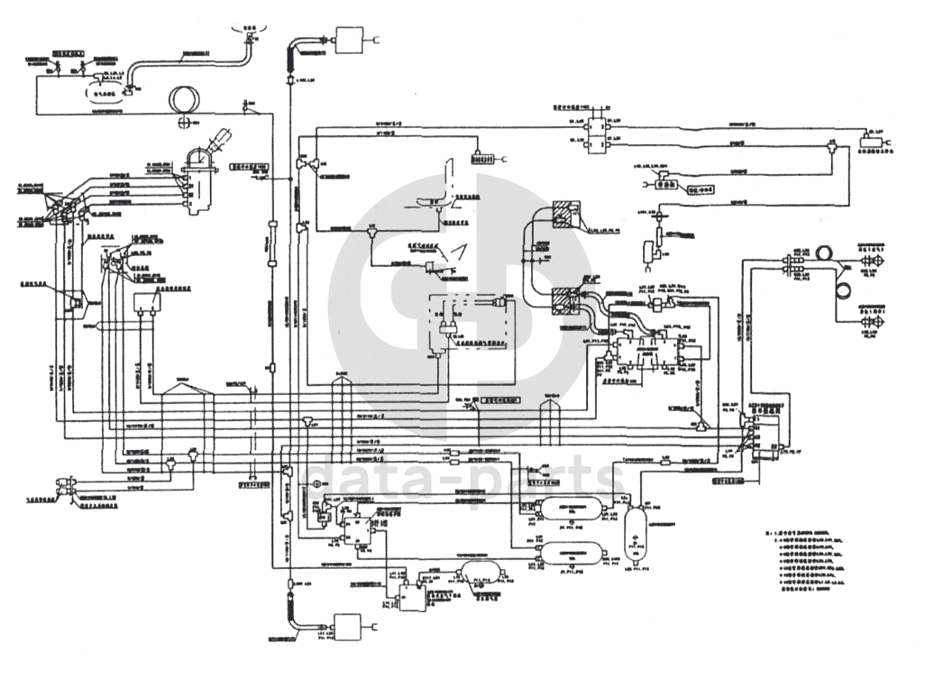
Схема тормозной системы для тягачей 4x2 и 6x2
Схема тормозной системы для тягачей 4x2 и 6x2 MAN-F2000 (SX3254JS384)
1
99014350012
Трубка 6
Кол-во
1
?
Оставить заявку
2
99114362005
Трубка 6
Кол-во
1
?
Оставить заявку
3
DZ9100362044
Трубка 8
Кол-во
1
?
Оставить заявку
4
99114362010
Трубка 8
Кол-во
1
?
Оставить заявку
5
99100362012
Трубка 12
Кол-во
1
?
Оставить заявку
6
99100362004
Трубка 12
Кол-во
1
?
Оставить заявку
7
99100362013
Трубка 12
Кол-во
2
?
Оставить заявку
8
99100362011
Трубка 12
Кол-во
1
?
Оставить заявку
9
4161-3506013
Трубка 12
Кол-во
1
?
Оставить заявку
10
4161-3506014
Трубка 12
Кол-во
1
?
Оставить заявку
11
DZ9100362048
Трубка 12
Кол-во
1
?
Оставить заявку
12
DZ9100362048
Трубка 12
Кол-во
0
?
Оставить заявку
13
99114362011
Трубка 12
Кол-во
1
?
Оставить заявку
14
99100362249
Трубка 15
Кол-во
1
?
Оставить заявку
15
AZ9100366021
Трубка 15
Кол-во
1
?
Оставить заявку
16
99100362012
Трубка 12
Кол-во
0
?
Оставить заявку
17
99100362109
Трубка 15
Кол-во
1
?
Оставить заявку
Оставьте заявку на покупку запчастей
Вы должны включить JavaScript чтобы использовать эту форму.
Ваша почта
Закачать
Только один файл.
Ограничение 32 МБ.
Допустимые типы: txt, rtf, pdf, doc, docx, odt, ppt, pptx, odp, xls, xlsx, ods.
Я согласен с
политикой обработки персональных данных
.
Групппа кнопки и политики
Отправить
Оставьте это поле пустым