О компании
Покупателю
Доставка
Оплата
Гарантии
Возврат и обмен
Новости и акции
Контакты
Отправить заявку
8 (351) 355-06-90
Каталог
Запчасти Dongfeng
Запчасти Shacman
Запчасти Weichai
Запчасти Cummins
Для самосвалов
Dongfeng DFL3251A Евро 2
Dongfeng DFL3251A Евро 3
Dongfeng DFL3251AXA Евро 3
Для тягачей
Dongfeng DFL4181A Евро 2
Dongfeng DFL4251A Евро 2
Для шасси АБС (миксер)
Dongfeng DFL3250A1 Евро 2
Cummins ISLe 310-30, ISLe 340-30, ISLe 375-30
Cummins L340-20, L375-20
Cummins С300-20
Прочие запчасти Cummins
Каталог
О компании
Покупателю
Доставка
Оплата
Гарантии
Возврат и обмен
Новости и акции
Контакты
Графические каталоги
Поиск
Графические каталоги
0
0
Главная
Графические каталоги
Cummins
ISLe 310-30 (340-30, 375-30)
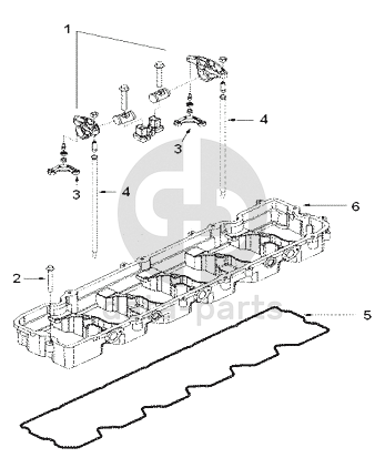
RL9753 Коромысло клапана и штанги толкателя
RL9753 Коромысло клапана и штанги толкателя ISLe 310-30 (340-30, 375-30)
1
2
3
3
4
4
5
6
100
%
1
3972540
Коромысло с опорой в сборе
Кол-во
12
?
Узнать цену
3972540
Коромысло в сборе (ISLe, L) 5253887 3972540
Добавить в избранное
В наличии 117 шт.
2 600 ₽
В корзину
2
C3901447
Болт
Кол-во
7
?
Узнать цену
C3901447
Болт C3901447
Добавить в избранное
нет в продаже
3
C3943445
Мостик коромысла клапана
Кол-во
12
?
Узнать цену
C3943445
Мостик коромысла клапана C3943445
Добавить в избранное
В наличии 1 шт.
цена по запросу
В корзину
C3943445
Мостик коромысла клапана (ISLe, L) C3943445
Добавить в избранное
В наличии 63 шт.
430 ₽
В корзину
4
C3964715
Штанга
Кол-во
12
?
Узнать цену
C3964715
Штанга толкателя (ISLe, QSL, L) C3964715
Добавить в избранное
В наличии 34 шт.
200 ₽
В корзину
5
C3966708
Прокладка клапанной коробки
Кол-во
1
?
Узнать цену
C3966708
Прокладка кожуха клапанных коромысел C3966708
Добавить в избранное
В наличии 1 шт.
160 ₽
В корзину
C3966708
Прокладка кожуха клапанных коромысел (10534800) C3966708
Добавить в избранное
В наличии 211 шт.
200 ₽
В корзину
6
C3967265
Клапанная коробка
Кол-во
1
?
Узнать цену
C3967265
Клапанная коробка C3967265
Добавить в избранное
нет в продаже
Оставьте заявку на покупку запчастей
Вы должны включить JavaScript чтобы использовать эту форму.
Ваша почта
Закачать
Только один файл.
Ограничение 32 МБ.
Допустимые типы: txt, rtf, pdf, doc, docx, odt, ppt, pptx, odp, xls, xlsx, ods.
Я согласен с
политикой обработки персональных данных
.
Групппа кнопки и политики
Отправить
Оставьте это поле пустым