О компании
Покупателю
Доставка
Оплата
Гарантии
Возврат и обмен
Новости и акции
Контакты
Отправить заявку
8 (351) 355-06-90
Каталог
Запчасти Dongfeng
Запчасти Shacman
Запчасти Weichai
Запчасти Cummins
Для самосвалов
Dongfeng DFL3251A Евро 2
Dongfeng DFL3251A Евро 3
Dongfeng DFL3251AXA Евро 3
Для тягачей
Dongfeng DFL4181A Евро 2
Dongfeng DFL4251A Евро 2
Для шасси АБС (миксер)
Dongfeng DFL3250A1 Евро 2
Cummins ISLe 310-30, ISLe 340-30, ISLe 375-30
Cummins L340-20, L375-20
Cummins С300-20
Прочие запчасти Cummins
Каталог
О компании
Покупателю
Доставка
Оплата
Гарантии
Возврат и обмен
Новости и акции
Контакты
Графические каталоги
Поиск
Графические каталоги
0
0
Главная
Графические каталоги
Cummins
Cummins-300-20
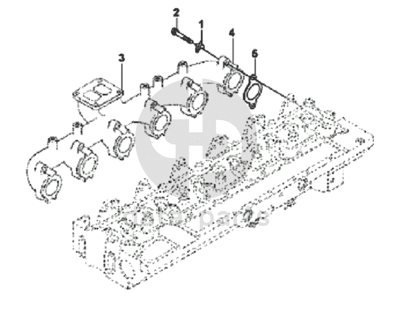
TB91403 Выпускной коллектор
TB91403 Выпускной коллектор Cummins-300-20
1
2
3
4
5
100
%
1
C3914708
Шайба
Кол-во
12
?
Узнать цену
C3914708
Шайба стопорная болта выпускного коллектора (C300) C3914708
Добавить в избранное
В наличии 65 шт.
30 ₽
В корзину
2
C3929537
Болт
Кол-во
12
?
Узнать цену
C3929537
Болт C3929537
Добавить в избранное
нет в продаже
3
C3929779
Коллектор выпускной
Кол-во
1
?
Узнать цену
C3929779
Коллектор выпускной (300л.с.) C3929779
Добавить в избранное
под заказ
цена по запросу
В корзину
4
C3929779R
Втулка выпускного коллектора
Кол-во
1
?
Узнать цену
C3929779R
Втулка выпускного коллектора C3929779R
Добавить в избранное
нет в продаже
5
C3932063
Прокладка выпускного коллектора
Кол-во
6
?
Узнать цену
C3932063
Прокладка выпускного коллектора (300л.с.) C3932063
Добавить в избранное
В наличии 46 шт.
65 ₽
В корзину
Оставьте заявку на покупку запчастей
Вы должны включить JavaScript чтобы использовать эту форму.
Ваша почта
Закачать
Только один файл.
Ограничение 32 МБ.
Допустимые типы: txt, rtf, pdf, doc, docx, odt, ppt, pptx, odp, xls, xlsx, ods.
Я согласен с
политикой обработки персональных данных
.
Групппа кнопки и политики
Отправить
Оставьте это поле пустым