О компании
Покупателю
Доставка
Оплата
Гарантии
Возврат и обмен
Новости и акции
Контакты
Отправить заявку
8 (351) 355-06-90
Каталог
Запчасти Dongfeng
Запчасти Shacman
Запчасти Weichai
Запчасти Cummins
Для самосвалов
Dongfeng DFL3251A Евро 2
Dongfeng DFL3251A Евро 3
Dongfeng DFL3251AXA Евро 3
Для тягачей
Dongfeng DFL4181A Евро 2
Dongfeng DFL4251A Евро 2
Для шасси АБС (миксер)
Dongfeng DFL3250A1 Евро 2
Cummins ISLe 310-30, ISLe 340-30, ISLe 375-30
Cummins L340-20, L375-20
Cummins С300-20
Прочие запчасти Cummins
Каталог
О компании
Покупателю
Доставка
Оплата
Гарантии
Возврат и обмен
Новости и акции
Контакты
Графические каталоги
Поиск
Графические каталоги
0
0
Главная
Графические каталоги
Cummins
6BTA5.9-C180
WA 9760ZZ PLUMBING, AFT WATER
WA 9760ZZ PLUMBING, AFT WATER 6BTA5.9-C180
1
2
3
4
5
6
7
8
8
8
8
100
%
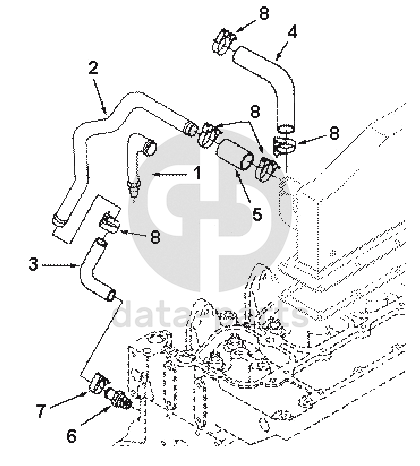
1
C3905639
Tube, aftercooler
Кол-во
1
?
Оставить заявку
2
C3914855
Tube, aftercooler
Кол-во
1
?
Оставить заявку
3
C3918607
HOSE, ELBOW
Кол-во
0
?
Оставить заявку
3
C3918607
Hose, elbow
Кол-во
0
?
Оставить заявку
4
C3918608
Hose, elbow
Кол-во
0
?
Оставить заявку
4
C3918608
HOSE, ELBOW
Кол-во
0
?
Оставить заявку
5
C3918611
Hose, plai
Кол-во
1
?
Оставить заявку
6
C3960514
Coector, male
Кол-во
1
?
Оставить заявку
7
C4928971
Clamp, t bolt
Кол-во
1
?
Оставить заявку
8
C4928971
Clamp, t bolt
Кол-во
0
?
Оставить заявку
Оставьте заявку на покупку запчастей
Вы должны включить JavaScript чтобы использовать эту форму.
Ваша почта
Закачать
Только один файл.
Ограничение 32 МБ.
Допустимые типы: txt, rtf, pdf, doc, docx, odt, ppt, pptx, odp, xls, xlsx, ods.
Я согласен с
политикой обработки персональных данных
.
Групппа кнопки и политики
Отправить
Оставьте это поле пустым